Справочник по полупроводниковым диодам

Цоколевка диодов (41-60)

Diop41.gif (1371 bytes)
2Д115-1, 2Д116-1
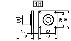
Diop42.gif (1455 bytes)
2Д120-1, КВ115
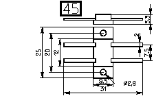
Diop43.gif (1434 bytes)
2Д123-91

2Д218

2Д222-С

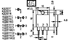
КД227, 2Д232, КД238-С

2Д236

2Д423, КД529

2Ц112

2Ц113-1

2Ц116, 2Ц119

КД223, КД226, 2Д249, КД529, КС511

2Д121, КД243, КД247, КД808, КД810, 2С411А,Б, 2С516А-В

2Д239, КД244, 2Д2994

КД409-9, 2В112-9, 2В122-9, 2В124-9, 2В130-9, 2В134-9

КД421, 2Д524, 2Д630, 2Д806, 2Д921, 2Д924, 2Д925

2Д101

КД126, КД127, 2В102, 2В104

КЦ111-А1

КЦ407